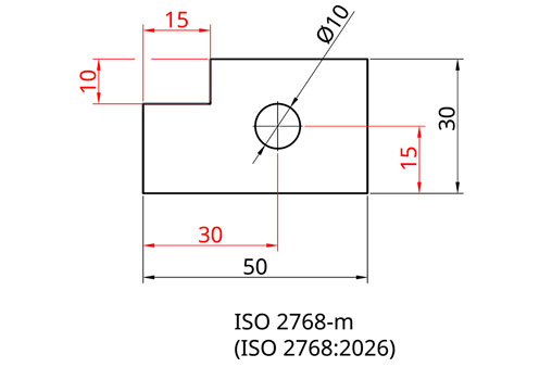
Kuva 1. Punaiset mitat eivät enää ISO 2768 uudistuksen jälkeen kuulu yleistoleranssin piiriin. Mustat mitat ovat mitallisia elementtejä ja ovat yleistoleranssin piirissä. HUOM. Kuvassa on oletettu standardin julkaisun tapahtuvan 2026. Tämä on vain arvio.
Mikä on yleisin standardi, johon teknisissä piirustuksissa viitataan? No se on epäilemättä ISO 2768-1. Sen avulla ilmoitetaan työkappaleen pituusmittojen ja kulmamittojen yleistoleranssi. Tyypillisin merkintä on ”ISO 2768-m”. Kirjain ”m” viittaa keskikarkeaan tarkkuusluokkaan.
ISO 2768-1 julkaistiin vuonna 1989. Kyse on siis melko vanhasta standardista. ISOn toleranssijärjestelmä ISO GPS on kehittynyt ja uudistunut 80-luvun jälkeen merkittävästi ja ISO 2768 on jäänyt auttamatta vanhanaikaiseksi eikä se ole enää ISO GPS -järjestelmän sääntöjen mukainen. Geometrisia yleistoleransseja käsittelevä ISO 2768-2 kumottiin jo muutama vuosi sitten. Osan 2 mukaista merkintää (esim. ISO 2768-mK) ei pitäisi enää käyttää.
Puutteellisen ja hankalasti tulkittavan standardin ISO 2768-2 tilalle ISO julkaisi vuonna 2021 uuden yleistoleranssistandardin ISO 22081.
Standardiehdotusta ISO/DIS 2768 on laadittu useamman vuoden ajan ISOn teknisessä komiteassa ISO/TC 213. Nyt ehdotus on tullut julkiselle lausuntokierrokselle jäsenmaihin. Standardiehdotuksen tuomiin muutoksiin on hyvä tutustua jo nyt ja harkita muutoinkin täsmällisempään mitoitustapaan siirtymistä.
Mikä muuttuu, kun ISO 2768 -revisio julkaistaan?
ISO GPS -järjestelmän yhtenä perusajatuksena on yksiselitteinen tuotemäärittely. Pituusmitta on yksiselitteinen vain, kun se on annettu mitalliselle elementille (eng. Feature of Size). Tyypillisimpiä mitallisia elementtejä ovat lieriöpinnat (akseli tai reikä) tai kaksi vastakkaista yhdensuuntaista tasopintaa (esim. kiila tai kiilaura).
Standardiehdotus ISO/DIS 2768 rajaa pituusmittojen yleistoleranssin koskemaan vain mitallisia elementtejä. Tämä on huomattava rajaus, koska nykyinen painos koskee mitä tahansa pituusmittaa (jolle ei ole määritelty yksilöllistä toleranssia). Toleranssiarvotaulukot on säilytetty ehdotuksessa muuttumattomina.
Ehdotuksesta ei ilmene, mihin standardin ISO 2768 painokseen merkintä ”ISO 2768-m” viittaisi jatkossa. Jotta piirustusten tulkinnassa ei syntyisi epäselvyyttä, piirustuksessa olisi hyvä luetella sovellettavat standardit päivättyinä (esim. ISO 2768:20261).
Käyttäjien pitäisi muistaa, että ISO 2768-1 on tarkoitettu metallista valmistetuille työkappaleille. Monesti standardia on sovellettu myös muista materiaaleista valmistettuihin kappaleisiin. Yleistoleranssiarvoja valittaessa on ajateltu vain metallisia työkappaleita ja niille käytettyjä työstömenetelmiä, eivätkä ne välttämättä sovellu muille materiaaleille.
Olisi myös vältettävä yleistoleranssin käyttämistä toiminnallisuuden kannalta olennaisiin mittoihin. Toiminnallisen mitat pitäisi aina määritellä piirustuksessa erikseen useista syistä. Toleranssin lisääminen mittaan helpottaa tärkeiden mittojen löytämistä piirustuksesta. Lisäksi suunnittelija joutuu tietoisesti harkitsemaan sopivinta lukuarvoa ja voi valita toiminnallisesti ja taloudellisesti parhaimman vaihtoehdon. Lopuksi on hyvä tiedostaa, että standardin ISO 2768-1:1989 mukaan yleistoleranssin ylittäminen ei saa johtaa osan hylkäämiseen, jos osan toiminnallisuus ei ole vaarantunut. Tämä ehto voi aiheuttaa epäselvyyttä hyväksyntäprosesseissa ja se ei ole kovin hyvin tiedossa.
Esimerkkejä ISO/DIS 2768 sovelluskohteista
Kuvassa 1 on esimerkkejä tyypillisistä mitoituksista, joihin uudistetun standardin ISO 2768 mukainen yleistoleranssi soveltuu tai ei sovellu. Nykyinen standardi koskisi kaikkia kuvan mittoja.
ISO 22081 esittelee uudenlaisen yleistoleranssin
Millä tavoin työkappaleen muut mitat pitäisi sitten yleistoleroida? ISO julkaisi vuonna 2021 standardin ISO 22081, jossa esitellään geometriseen muototoleranssiin perustuvan uuden yleistoleranssimäärittelyn. Uudesta standardista on uutisjuttu ja webinaaritallenne METSTAn sivuilla www.metsta.fi.
1 HUOM. ISO/DIS 2768 julkaisuajankohtaa ei ole vahvistettu. Tässä käytetty vuosiluku 2026 on vain esimerkki.

Kirjoittaja DI Jukka-Pekka Rapinoja / METSTA